高温浓硫酸专用阀门—撸撸社污视频软件下载撸撸社软件下载免费版
高温浓硫酸属强氧化性酸,腐蚀性强,近20年来,衬氟塑料的各种阀门以其优异的耐腐蚀性能得到业内同仁们的关注。实践证实,这些衬氟塑料的阀门普遍存在抗冲蚀性差、使用寿命短、不耐负压、维修费用高等问题。采用耐腐蚀的金属硬密封蝶阀用于硫酸装置,在阀门关闭时蝶板密封面与弹性阀座相吻合,密封副在介质压力的作用下产生微小的弹性变形,从而实现密封。常用的耐腐蚀金属阀门有浓硫酸直角阀、浓硫酸球阀、浓硫酸截止阀、浓硫酸单闸板阀、浓硫酸蝶阀等。它们的共同特点是:阀体、蝶板口材料的耐腐蚀性能欠佳,阀门关不严易漏,使用寿命短。
随着硫酸工业技术的飞跃发展,对阀门也提出了更苛刻的要求,普通衬氟软密封蝶阀已经不能适应高温浓硫酸泵出口的特殊工况要求。现介绍一种密封性能好、使用寿命长的高温浓硫酸撸撸社软件下载免费版,供参考。
撸撸社软件下载免费版形状结构及规格
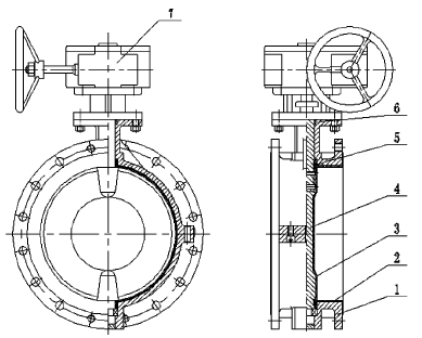
撸撸社软件下载免费版用合金球墨铸铁和DS-1高硅不锈钢制造,专用于w(H2SO4)=93%~98%高温浓硫酸管路调节酸流量或截断管路内硫酸流量,其构造见图1。
蝶阀的主要连接尺寸标识见图2,1.0MPa鹏生蝶阀的主要规格。它可根据用户需求,配置手动、电动操作系统,连接结构有对夹和法兰。
三偏心金属密封撸撸社软件下载免费版原理
金属硬密封撸撸社软件下载免费版要在高温浓硫酸工况下长期使用,要求其密封性能好,操作灵活。因此,金属硬密封蝶阀的密封结构至关重要。
常规的高性能蝶阀是两个偏心,一个偏离管道中心线,另一个是偏离密封面中心线,目的是减少阀座与密封件之间大约20°行程的摩擦。鹏生蝶阀将蝶板改成平截斜圆锥体,构成三偏心结构,不仅起到了凸轮作用,而且消除了在阀门行程中密封件和阀座之间的所有接触摩擦,从而延长了阀门的使用寿命。
三偏心金属密封具有如下优点:①无磨擦转动;②有扭矩,产生弹性密封;③楔形设计确保密封面接触均匀。其密封原理如图3所示。
耐腐蚀材料的选用
金属硬密封撸撸社软件下载免费版要在高温浓硫酸工况下长期使用,其阀体和密封副材质的选择尤为重要,材料的配对决定了蝶阀的使用寿命。
硫酸能够沿着连续的片状石墨组织渗入铸铁内部,因此这种组织耐硫酸腐蚀性能差;而不连续的球状石墨组织可防止硫酸向铸铁内部渗透,因而可有效改善铸铁的耐蚀性。
合金球墨铸铁在高温浓硫酸泵上可常年使用,实践证明它很耐浓硫酸腐蚀,因此,合金球墨铸铁是制造蝶阀阀体、蝶板、阀杆等的优良材料。在球墨铸铁中加入铬(Cr)使其内部组织细化,减少石墨含量,增加珠光体的含量,从而提高球墨铸铁耐浓硫酸腐蚀的性能。更重要的是,低铬合金铸铁在浓硫酸中腐蚀后生成的Cr2(SO4)3形成钝化膜,增强了对基体的保护。因此,低铬合金球墨铸铁耐浓硫酸腐蚀的性能明显改善。在球墨铸铁中加入铜(Cu)可使其更快地进入钝化状态,从而提高耐高温浓硫酸腐蚀的性能。

DS-1高硅不锈钢是按“金属十级腐蚀标准”的第4级耐蚀标准(即腐蚀速度不高于0.05mm/a)来设计,它在高温浓硫酸中的腐蚀速度
在氧化性介质中,DS-1高硅不锈钢表面会形成一种复杂的SiO2保护层,从而具有优良的耐热浓硫酸腐蚀的性能。它在80℃和120℃的w(H2SO4)为98%的硫酸中长时间浸泡后,在显微镜下未发现晶间腐蚀、点腐蚀、缝隙腐蚀。研究还发现,DS-1高硅不锈钢在高温浓硫酸中应力腐蚀开裂不敏感,且对其固溶处理后具有优良的力学性能、变形性能和工艺性能,是制造蝶阀密封圈和堆焊蝶板外圈的优良金属材料。
亚特撸撸社软件下载免费版采用合金球墨铸铁和DS-1高硅不锈钢这两种材质科学搭配(已取得中国专利)制造而成,其阀体、阀杆、蝶板采用合金球墨铸铁制造,密封圈采用DS-1高硅不锈钢制造,蝶板口也堆焊DS-1高硅不锈钢。为防止阀杆泄漏,阀杆密封采用氟橡胶“O”形圈密封,填料压生氟塑料绳。
由以上两种合金相互搭配,外形小巧新颖,使用寿命长,价格低廉。以公称直径为100mm的浓硫酸专用的各种阀门为例,它们的外形尺寸与质量的对比见表3。由表3可见,鹏生蝶阀体积小、质量轻,仅为其他阀门质量的1/2。

关键词:香蕉视频撸撸社正版APP快速下载 撸撸社软件下载免费版
注:以上咨讯由永嘉亚特防腐阀门有限公司整理发布 转载请标明版权: http://www.xjlzxzw.com/

