D371F46撸撸社软件下载免费版结构特点:
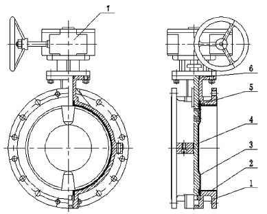
1、中线蝶阀为整个蝶板与阀座在360。圆周内同心(中线),具有双向密封功能,压力、流量可自由调节;
2、偏心蝶阀为二维方向偏听偏信心产品的凸轮效应会使密封副产生足够的密封比压,并且随着工作压力的升高,密封效果更理想。
3、四级加载旨性密封,保证了阀门内、外的零泄露;
a:轴头、蝶板圆周连接处的特殊过渡曲线与阀座的合理过盈;
b:轴头端面采用弹性O型圈和轴户处刚性垫圈、弹性橡胶垫组合;
c:轴的径向采用O垫圈金属垫的组合;
d:阀座嵌弹性的阀体槽内。
4、采用可调弹性弹子定位,定位准确,结构简单。(采用 O型圈是为了防止以外泄漏时的安全措施)
5、法兰连接双偏心蝶阀适用于压力较高场合。

D371F46撸撸社软件下载免费版规格参数:
设计规范:遵循GB/T12238,API 609,MSS SP-67标准
公称通径:DN15~300mm
公称压力:PN1.0~1.6Mpa
连接形式:法兰连接、对夹式
适用介质:硫酸,氢氟酸,磷酸,氯气,强碱,王水等任意具有强腐蚀性的介质。

关键词:撸撸社软件下载免费版
注:以上资讯由撸撸社软件下载免费版,撸撸社下载免费版专业生产厂家永嘉亚特防腐阀门有限公司整理发布http://www.xjlzxzw.com

