撸撸社软件下载免费版,撸撸社下载免费版,撸撸社污视频软件下载,香蕉视频撸撸社正版APP快速下载

当前位置:网站首页 > 新闻资讯 > 行业新闻

一种耐腐蚀的撸撸社下载免费版的制作方法

作者:  来源:  更新时间:2025-04-15  点击次数:
  本实用新型属于球阀领域,尤其涉及一种耐腐蚀的撸撸社下载免费版。
撸撸社下载免费版结构示意图

  背景技术:

  撸撸社下载免费版是对阀体内介质所能达到的地方全部采用氟衬里工艺,内衬材料一般采用fep(f46)、pctfe(f3)、fpa等氟塑料,可以适用于各种浓度的硫酸、盐酸、氢氟酸、王水和各种有机酸、强酸、强氧化剂及其它腐蚀性颗粒、粉末等管路。

  传统的氟球阀一般都是用于带有腐蚀性溶液的管道里进行工作,氟球里面的密封结构长期处于腐蚀性的溶液中,导致密封块会出现被腐蚀的情况,密封结构一旦发生腐蚀的情况氟球阀会发生泄漏的情况,导致现有的氟球阀耐腐蚀性不强。

  技术实现要素:

  本实用新型针对上述的问题,提供了一种耐腐蚀的撸撸社下载免费版。

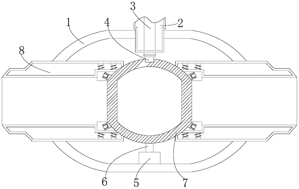
  为了达到上述目的,本实用新型采用的技术方案为,本实用新型提供一种耐腐蚀的撸撸社下载免费版,包括阀壳,所述阀壳的顶部穿插设置有护杆,所述护杆的内部穿插设置有转杆,所述转杆的底部焊接有矩形块,所述阀壳内壁的底部焊接有轴承,所述轴承的内部穿插设置有支撑杆,所述支撑杆的顶部贴设有开关装置,所述阀壳的两侧均穿插设置有密封机构。

  所述开关装置包括阀球,所述阀球的左上角焊接有轮杆,所述轮杆的顶部焊接有旋转轮,所述阀球的顶部开设有连接槽。

  所述密封机构包括连接管,所述连接管的底部贴设有密封块,所述密封块内壁的底部固定安装有套筒,所述套筒的内部穿插设置有顶杆,所述顶杆上缠绕设置有弹簧,所述顶杆的顶部贴设有卡紧块,所述卡紧块上开设有轮槽。

  作为优选,所述述轮杆的数目为四个,四个轮杆相对分布在阀球的四角,四个轮杆相背的一侧均焊接有旋转轮,使阀球的的四角都被密封,使装置的密封性更好。

  作为优选,所述连接管的两侧均贴设有密封块,两个密封块相对分布在连接管的两侧。

  作为优选,两个密封块相对的一侧均开设有与卡紧块相匹配的装置槽。

  作为优选,两个连接管相对一端的两侧均贴设有密封块。

  作为优选,所述阀球的上开设有与连接管相匹配的连接孔,使阀体的内部能流通。

  与现有技术相比,本实用新型的优点和积极效果在于:

  1、本实用新型,使旋转轮离开卡紧块的时候,轮杆离开轮槽,使弹簧带动卡紧块进行复位,使顶杆在套筒的内部进行拉伸,卡紧块腐蚀的时候,轮槽同时被腐蚀,在关闭的时候,驱动装置带动转杆在护杆的内部进行旋转,转杆带动矩形块进行旋转,矩形块带动开关装置进行旋转,旋转矩形块通过连接槽带动阀球进行旋转,阀球通过轮杆带动旋转轮旋转,因为轮槽被腐蚀,轮槽变大,旋转轮呈倾斜状,所以旋转轮旋转进轮槽的内部,使卡紧块向下,弹簧压缩,使旋转轮的顶部与轮槽的内壁卡紧,使装置耐腐蚀,防止装置泄漏。

  2、本实用新型,轮杆的数目为四个,四个轮杆相对分布在阀球的四角,四个轮杆相背的一侧均焊接有旋转轮,使阀球四个拐角处均安装有旋转轮,使阀球的密封更好,使旋转轮进行旋转,使旋转轮离开卡紧块,使阀球的密封性更好。

  附图说明

  为了更清楚地说明本实用新型实施例的技术方案,下面将对实施例描述中所需要使用的附图作一简单地介绍,显而易见地,下面描述中的附图是本实用新型的一些实施例,对于本领域普通技术人员来讲,在不付出创造性劳动性的前提下,还可以根据这些附图获得其他的附图。

  图1为实施例1提供的耐腐蚀的撸撸社下载免费版的结构示意图;

  图2为实施例1提供的阀球的结构示意图;

  图3为实施例1提供密封机构的俯视结构示意图;

  以上各图中,1、阀壳;2、护杆;3、转杆;4、矩形块;5、轴承;6、支撑杆;7、开关装置;701、阀球;702、轮杆;703、旋转轮;704、连接槽;8、密封机构;801、连接管;802、密封块;803、套筒;804、顶杆;805、弹簧;806、卡紧块;807、轮槽。

  具体实施方式

  为了能够更清楚地理解本实用新型的上述目的、特征和优点,下面结合附图和实施例对本实用新型做进一步说明。需要说明的是,在不冲突的情况下,本申请的实施例及实施例中的特征可以相互组合。

  在下面的描述中阐述了很多具体细节以便于充分理解本实用新型,但是,本实用新型还可以采用不同于在此描述的其他方式来实施,因此,本实用新型并不限于下面公开说明书的具体实施例的限制。

  实施例1,如图1所示,本实用新型提供了一种耐腐蚀的撸撸社下载免费版,包括包括阀壳1,阀壳1的顶部穿插设置有护杆2,护杆2的内部穿插设置有转杆3,转杆3的底部焊接有矩形块4,阀壳1内壁的底部焊接有轴承5,轴承5的内部穿插设置有支撑杆6,支撑杆6的顶部贴设有开关装置7,阀壳1的两侧均穿插设置有密封机构8。

  下面具体说一下其开关装置7、密封机构8的具体设置和作用。

  如图2所示,开关装置7包括阀球701,阀球701的上开设有与连接管801相匹配的连接孔,阀球701的左上角焊接有轮杆702,轮杆702的顶部焊接有旋转轮703,阀球701的顶部开设有连接槽704。

  矩形块4通过连接槽704带动阀球701进行旋转,使装置打开,使溶液流动,阀球701带动轮杆702进行旋转,使旋转轮703进行旋转,使旋转轮703离开卡紧块806。

  如图2所示,优选的,轮杆702的数目为四个,四个轮杆702相对分布在阀球701的四角,四个轮杆702相背的一侧均焊接有旋转轮703,使阀球701四个拐角处均安装有旋转轮703,使阀球701的密封更好。

  其整个的开关装置7的运动原理和达到的效果为,通过矩形块4通过连接槽704带动阀球701进行旋转,使装置打开,使溶液流动,阀球701带动轮杆702进行旋转,轮杆702的数目为四个,四个轮杆702相对分布在阀球701的四角,四个轮杆702相背的一侧均焊接有旋转轮703,使阀球701四个拐角处均安装有旋转轮703,使阀球701的密封更好,使旋转轮703进行旋转,使旋转轮703离开卡紧块806,使阀球701的密封性更好。

  如图3所示,密封机构8包括连接管801,连接管801的两侧均贴设有密封块802,两个密封块802相对分布在连接管801的两侧,两个密封块802相对的一侧均开设有与卡紧块806相匹配的装置槽,连接管801的底部贴设有密封块802,两个连接管801相对一端的两侧均贴设有密封块802,密封块802内壁的底部固定安装有套筒803,套筒803的内部穿插设置有顶杆804,顶杆804上缠绕设置有弹簧805,顶杆804的顶部贴设有卡紧块806,卡紧块806上开设有轮槽807。

  其整个的密封机构8的运动原理和达到的效果为,使旋转轮703离开卡紧块806的时候,轮杆702离开轮槽807,使弹簧805带动卡紧块806进行复位,使顶杆804在套筒803的内部进行拉伸,卡紧块806腐蚀的时候,轮槽807同时被腐蚀,在关闭的时候,驱动装置带动转杆3在护杆2的内部进行旋转,转杆3带动矩形块4进行旋转,矩形块4带动开关装置7进行旋转,旋转矩形块4通过连接槽704带动阀球701进行旋转,阀球701通过轮杆702带动旋转轮703旋转,因为轮槽807被腐蚀,轮槽807变大,旋转轮703呈倾斜状,所以旋转轮703旋转进轮槽807的内部,使卡紧块806向下,弹簧805压缩,使旋转轮703的顶部与轮槽807的内壁卡紧,使装置耐腐蚀,防止装置泄漏。

  驱动装置带动转杆3在护杆2的内部进行旋转,转杆3带动矩形块4进行旋转,矩形块4带动开关装置7进行旋转,开关装置7通过转支撑杆6在轴承5的内部进行旋转,密封机构8卡紧开关装置7。

  以上所述,仅是本实用新型的较佳实施例而已,并非是对本实用新型作其它形式的限制,任何熟悉本专业的技术人员可能利用上述揭示的技术内容加以变更或改型为等同变化的等效实施例应用于其它领域,但是凡是未脱离本实用新型技术方案内容,依据本实用新型的技术实质对以上实施例所作的任何简单修改、等同变化与改型,仍属于本实用新型技术方案的保护范围。

  技术特征:

  1.一种耐腐蚀的撸撸社下载免费版,其特征在于,包括阀壳(1),所述阀壳(1)的顶部穿插设置有护杆(2),所述护杆(2)的内部穿插设置有转杆(3),所述转杆(3)的底部焊接有矩形块(4),所述阀壳(1)内壁的底部焊接有轴承(5),所述轴承(5)的内部穿插设置有支撑杆(6),所述支撑杆(6)的顶部贴设有开关装置(7);

  所述开关装置(7)包括阀球(701),所述阀球(701)的左上角焊接有轮杆(702),所述轮杆(702)的顶部焊接有旋转轮(703),所述阀球(701)的顶部开设有连接槽(704);

  所述阀壳(1)的两侧均穿插设置有密封机构(8);

  所述密封机构(8)包括连接管(801),所述连接管(801)的底部贴设有密封块(802),所述密封块(802)内壁的底部固定安装有套筒(803),所述套筒(803)的内部穿插设置有顶杆(804),所述顶杆(804)上缠绕设置有弹簧(805),所述顶杆(804)的顶部贴设有卡紧块(806),所述卡紧块(806)上开设有轮槽(807)。

  2.根据权利要求1所述的一种耐腐蚀的撸撸社下载免费版,其特征在于,所述轮杆(702)的数目为四个,四个轮杆(702)相对分布在阀球(701)的四角,四个轮杆(702)相背的一侧均焊接有旋转轮(703)。

  3.根据权利要求1所述的一种耐腐蚀的撸撸社下载免费版,其特征在于,所述连接管(801)的两侧均贴设有密封块(802),两个密封块(802)相对分布在连接管(801)的两侧。

  4.根据权利要求3所述的一种耐腐蚀的撸撸社下载免费版,其特征在于,两个密封块(802)相对的一侧均开设有与卡紧块(806)相匹配的装置槽。

  5.根据权利要求1所述的一种耐腐蚀的撸撸社下载免费版,其特征在于,两个连接管(801)相对一端的两侧均贴设有密封块(802)。

  6.根据权利要求5所述的一种耐腐蚀的撸撸社下载免费版,其特征在于,所述阀球(701)的上开设有与连接管(801)相匹配的连接孔。

  技术总结

  本实用新型属于球阀领域,尤其涉及一种耐腐蚀的撸撸社下载免费版,包括包括阀壳,阀壳的顶部穿插设置有护杆,护杆的内部穿插设置有转杆,转杆的底部焊接有矩形块,阀壳内壁的底部焊接有轴承,轴承的内部穿插设置有支撑杆,支撑杆的顶部贴设有开关装置,开关装置包括阀球,阀球的左上角焊接有轮杆。本实用新型通过该装置达到自动化进行定量分料,在关闭的时候,矩形块带动开关装置进行旋转,旋转矩形块通过连接槽带动阀球进行旋转,阀球通过轮杆带动旋转轮旋转,因为轮槽被腐蚀,轮槽变大,旋转轮呈倾斜状,所以旋转轮旋转进轮槽的内部,使卡紧块向下,弹簧压缩,使旋转轮的顶部与轮槽的内壁卡紧,使装置耐腐蚀,防止装置泄漏。
本文链接:http://www.xjlzxzw.com//news/news662.html
上一篇:香蕉视频撸撸社正版APP快速下载安装注意事项!
下一篇:新型撸撸社下载免费版的制作方法

相关文章

撸撸社下载免费版的介质要求-2024-12-10
撸撸社下载免费版结构-2024-12-03
撸撸社软件下载免费版分类及撸撸社软件下载免费版的负荷试验要求-2020-05-13
撸撸社下载免费版型号-2020-04-08
香蕉视频撸撸社正版APP快速下载的材质介绍_知识大全-2019-12-22
撸撸社软件下载免费版的详细信息介绍-2019-03-09
撸撸社软件下载免费版在水处理行业中的应用-2017-12-17
撸撸社软件下载免费版气动撸撸社软件下载免费版附件的选项-2021-12-20
阀门那么多,关于各种阀门的特点和区别你知道多少?-2025-04-07
防腐设备行业发展分析-2025-03-30
聚四氟乙烯材料的优点-2025-03-20
衬氟截止阀的安装维护注意事项-2025-03-15
撸撸社下载免费版要如何终止密封试验呢?-2025-03-08
阀门与管路是咋连接的?有多少种连接方式?-2025-02-28
各种阀门特点和区别-2025-02-15
关于撸撸社软件下载免费版

公司简介

联系撸撸社软件下载免费版

网 址:http://www.xjlzxzw.com邮 箱:wzszsbz@163.com
公司地址:永嘉县瓯北镇东瓯工业区和一村
© 2019 浙江撸撸社污视频软件下载阀业有限公司 版权所有 浙ICP备77974083号
网站地图